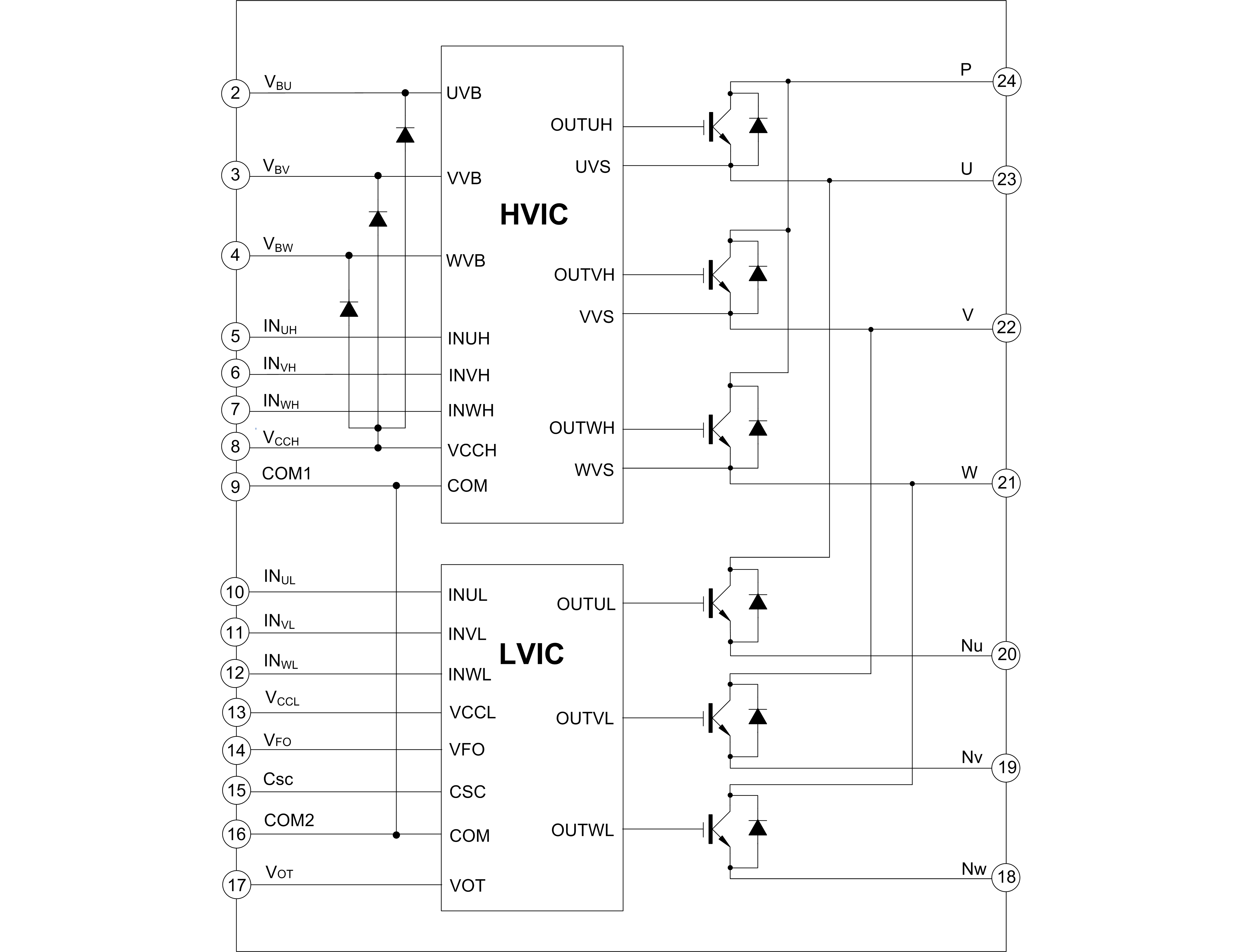
SDM30G60FB是高度集成、高可靠性的三相无刷直流电机驱动电路,主要应用于较低功率的变频驱动,如空调、变频器、伺服器等。其内置了3相全桥高压栅极驱动电路和6个低损耗IGBT管。
SDM30G60FB内部集成了欠压、短路、过温、温度监控输出等各种保护功能,提供了优异的保护和宽泛的安全工作范围。由于每一相都有一个独立的负直流端,其电流可以分别单独检测。
SDM30G60FB采用了高绝缘和易导热设计,提供了非常紧凑的封装体,使用非常方便,尤其适合要求紧凑安装的场合。
内置6个低损耗600V/30A IGBT;
内置高压栅极驱动电路(HVIC);
内置欠压保护和过温、过流保护和温度输出;
内置带限流电阻的自举二极管;
完全兼容3.3V和5V的MCU的接口,高电平有效;
3个独立的负直流端用于变频器电流检测的应用;
报警信号:对应于低侧欠压保护和短路保护;
封装体采用 Al2O3 DBC设计,热阻极低;
绝缘级别:1500Vrms/min。
| 星空体育名称 | 封装形式 | 打印名称 | 环保等级 | 包装 | 备注 |
|---|---|---|---|---|---|
| SDM30G60FB | DIP-24HL | SDM30G60FB | 无铅 | 料管 |

| 标题 | 类型 | 大小 (KB) | 日期 | 下载最新中文版本 |
|---|---|---|---|---|
| SDM30G60FB | 331 | 2023-02-23 | SDM30G60FB 简要版说明书 |