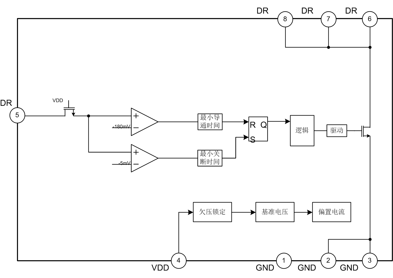
SD8512C是内置N型功率MOSFET的同步整流控制IC(SR),配合原边控制电路,能在开关模式下提高系统效率。
SD8512C高度集成,节省外部元件,简化系统设计。可应用在断续导通模式和临界导通模式下,由于多功能性,广泛应用在各种拓扑结构中。
SD8512C适用5V输出系统,可采用输出端直接供电。
内置N型功率MOSFET
DR管脚耐压40V
最小关断时间保护
最大工作频率100KHz
| 星空体育名称 | 封装形式 | 打印名称 | 环保等级 | 包装 | 备注 |
|---|---|---|---|---|---|
| SD8512C | SOP-8-225-1.27 | SD8512C | 无卤 | 料管 | |
| SD8512CTR | SOP-8-225-1.27 | SD8512C | 无卤 | 编带 |

| 标题 | 类型 | 大小 (KB) | 日期 | 下载最新中文版本 |
|---|---|---|---|---|
| SD8512C | 241 | 2024-01-08 | SD8512C简要版说明书 |