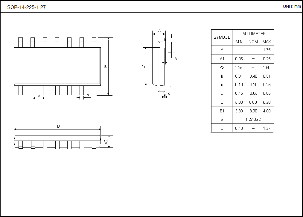
SOP-14-225-1.27