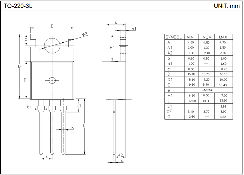
TO-220-3L