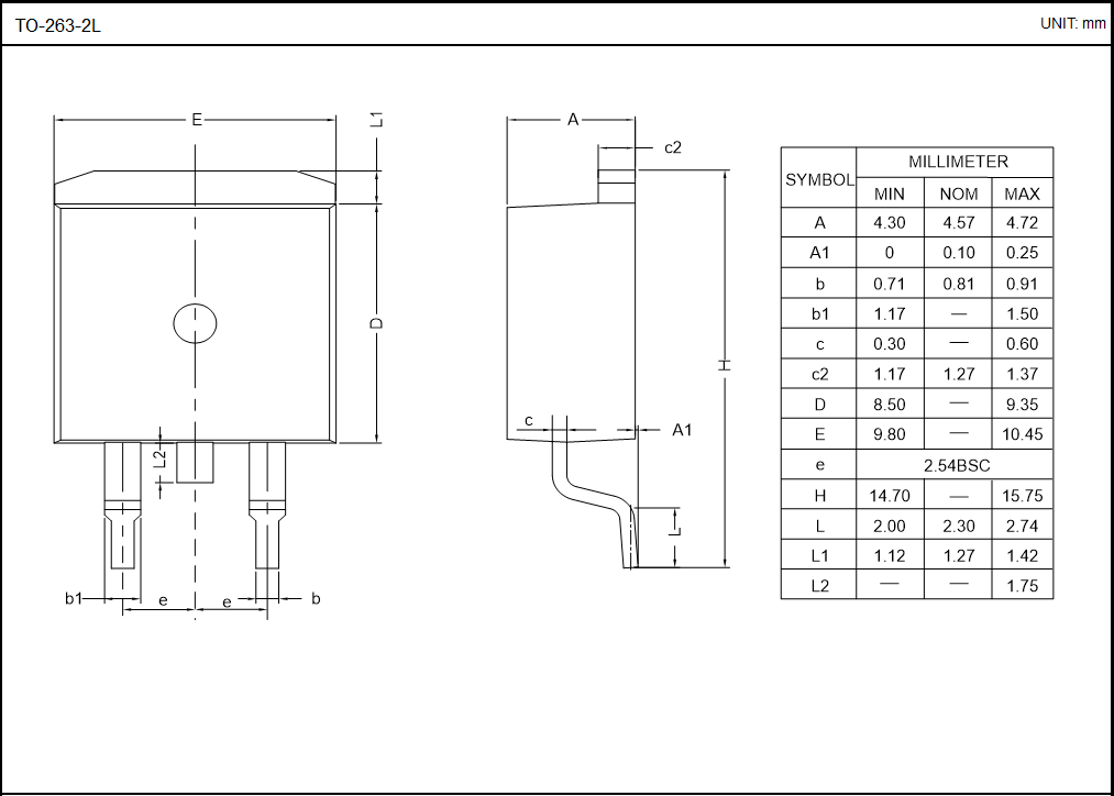
TO-263-2L