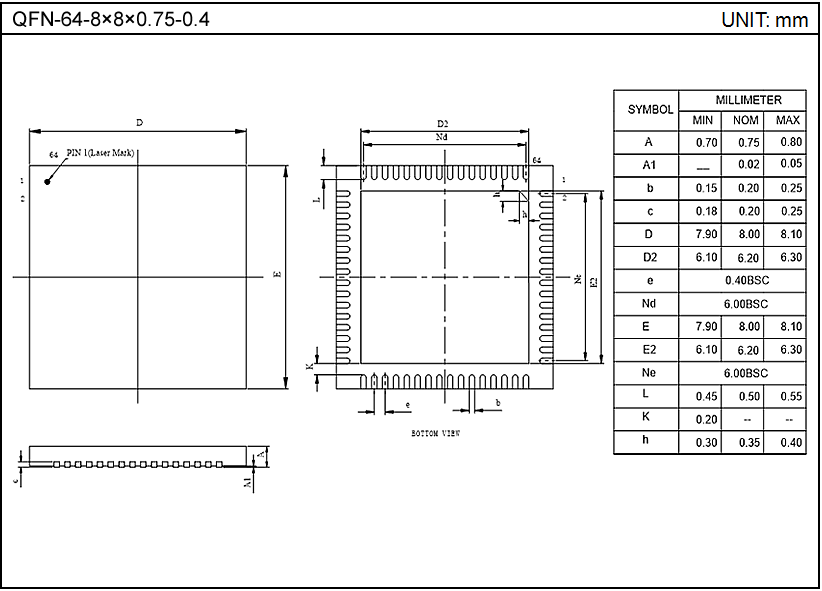
QFN-64-8×8×0.75-0.4