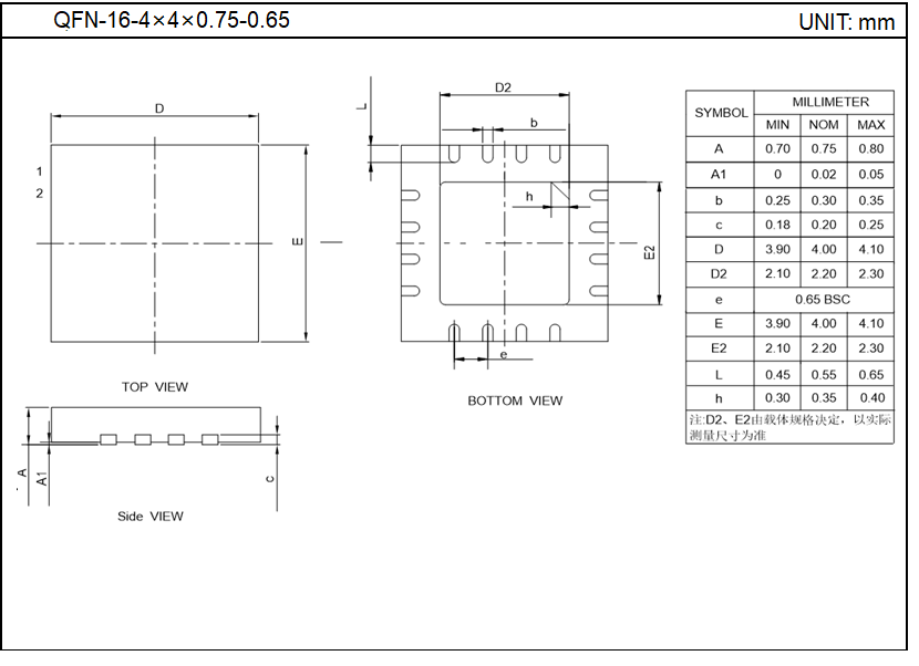
QFN-16-4×4×0.75-0.65